Aparelhos de Corte e Proteção

Circuit breaker 3VA6 UL frame 1000 breaking capacity class M 35kA 480V 3

Ref Fabricante: 3VA66105KQ320AA0
Ref Nortécnica:
EAN: 4042949438731
Descrição

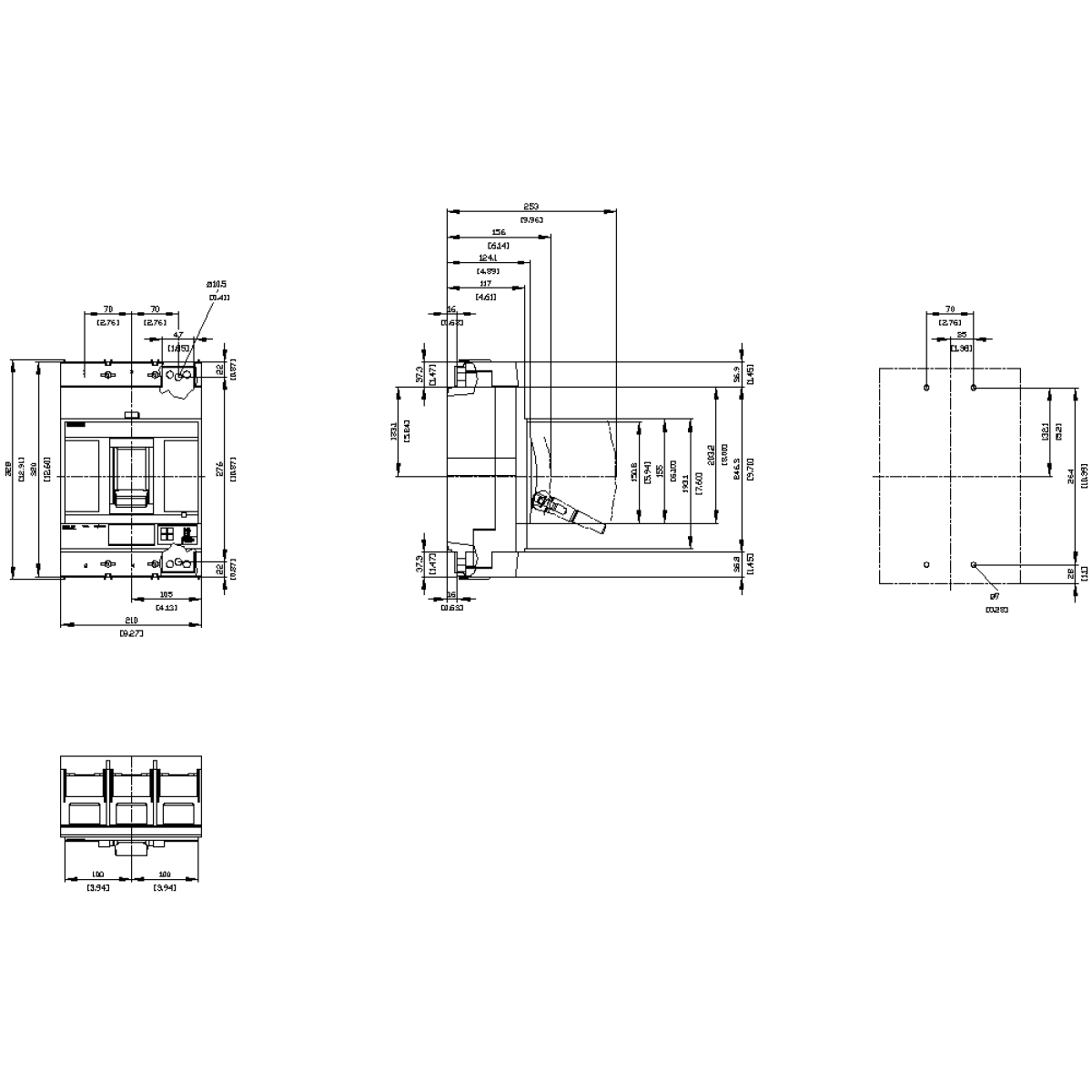
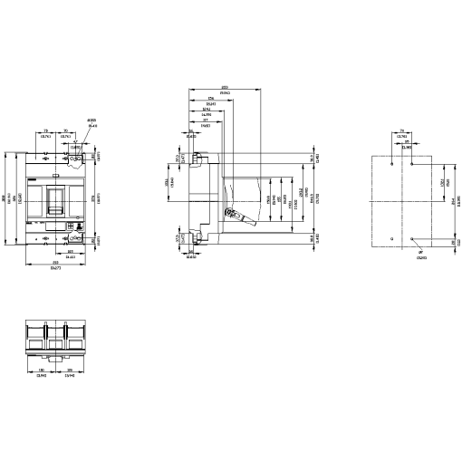
Circuit breaker 3VA6 UL frame 1000 breaking capacity class M 35kA 480V 3

Informações Técnicas
Atributos
Número de contatos auxiliares como contato normalmente aberto
0
Número de contatos auxiliares como contato normalmente fechado
0
Corrente permanente nominal Iu
1000
Com passagem de subtensão integrada
Não
Número de polos
3
Configuração de corrente da proteção contra sobrecargas
400
Número de contatos auxiliares como contato de comutação
0
Intervalo de tensões especificadas
690
Grau de proteção IP
IP40
Posição de conexão do circuito de corrente principal
-
Acionamento do motor integrado
Não
Tipo de conexão elétrica do circuito principal
-
Tipo de elemento de controlo
Alavanca basculante
Relé de sinalização de gatilho disponível
Não
Corrente nominal de comutação de curto-circuito Icu a 400 V, 50 Hz
55
Intervalo de configuração do atraso de rearme após curto-circuíto
600
Faixa de ajuste da disparo em curto-circuito não retardada
1500
Adequado para montagem em calha DIN calha superior
Não
Proteção integrada de falta à terra
Sim
Acionamento do motor opcional
Não
Construção do dispositivo
Técnica de instalação fixa para dispositivo embutido
Montagem em calha DIN calha superior opcional
Não
Dispositivo completo com unidade de proteção
Sim
Marcas
Siemens AG
Ficha Técnica